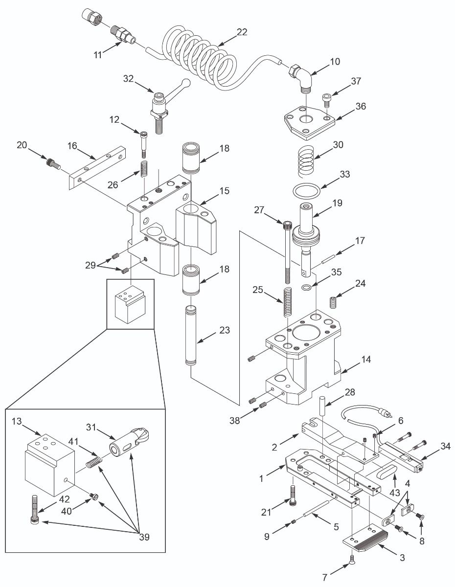
Replacement Parts For A0113-CA

Replacement Parts For A0113-CA | <p>Replacement Parts For A0113-CA</p>
Replacement Parts For A0113-CA | <p>Replacement Parts For A0113-CA</p>
Order Replacement Parts
Illustration # Part # Product Description Qty
1 A0113-CA
Complete Clamp Assembly-Vipros 255

Amada # 75416004 / 6048240

Availability:
Out of stock
$1,799.00
1 A0201-CBA
Clamp Base Assembly-New Style

Amada # 74161544 / 826189 / 75498402

Availability:
20+ In stock
$285.00
1 A0301-B
Clamp Base New Style Pneumatic

Amada # 43136709 / 826189a / 75426619 / 6048243 / PN098

Availability:
20+ In stock
$155.00
2 A0401-CL
Clamper New Style Pneumatic

Amada # 74303518 / 826182a

Availability:
20+ In stock
$112.00
3 A0501-CP
Clamp Plate

Amada # 74161354 / 816025


Amada # 826235

Availability:
20+ In stock
$26.00
4 A0601-SP
Stopper Plate

Amada # 74161353 / 816026

Availability:
20+ In stock
$10.00
5 A0794
Straight Pin M6 X 60

Amada # 74571118 / 826285

Availability:
20+ In stock
$1.50
6 A0830
Set Screw M5x6 Pkg of 10

Set Screw cup M5 X 6 Pkg of 10

Availability:
20+ In stock
$3.00
7 A0831
Screw M5x12 Pkg of 10 for Clamp Plate

Screw M5x12 Pkg 10 CP

Availability:
20+ In stock
$3.00
8 A0832
Screw M4x10 Pkg of 10 for Stopper Plate

Amada # 40011066 / m4x10 / Screw M4 x 10 Pkg of 10SP

Availability:
20+ In stock
$3.00
9 A0835
Set Screw M8 X 8 Each

Amada # 74722739 / p330590023

Availability:
20+ In stock
$0.40
10 A4155
Male Elbow

Amada # 74169983

KQL06-02S Male Elbow

Tube Size: 6mm

1/4 inch PT

Availability:
20+ In stock
$5.75
11 A4123
Male Connector

KQH06-02S Male Connector

Tube Size: 6mm

1/4 inch PT

Availability:
20+ In stock
$6.90
12 A0887
Shoulder Bolt M8 X 25

p337135015 / Shoulder Bolt M8 x 25

Availability:
20+ In stock
$3.00
13 A0844
Over Ride Block-Vipros 255

Amada # 75426617 / 6048241

Availability:
7 In stock
$259.00
14 A0874
Clamp Body-Piston Side Pneumatic New

Amada # 74335816 / Body Piston Side Pneumatic New

Availability:
8 In stock
$499.00
15 A0879
Clamp Body-Dove Tail Side New

Amada # 74335806 / 826181a

Availability:
20+ In stock
$499.00
16 A0881
Dove Tail Plate

Amada # 74165903 / 816004

Availability:
20+ In stock
$44.00
17 A0882
Pin-Pneumatic Piston

p337020028 / Pin for Pneumatic Piston

Availability:
20+ In stock
$1.00
18 A0862
Linear Bearing

Linear Bearing ST16B

Availability:
20+ In stock
$24.99
19 A0620
Clamp Piston

Amada # 74303513 / 826184b / Clamp Piston (Amada)

Availability:
20+ In stock
$375.00
20 A0875
Bolt

Amada # 74165904 / 816005

Availability:
20+ In stock
$9.90
21 A0895
Bolt M8 X 25

Amada # 36147516 / screw SHCS M8x25

Availability:
20+ In stock
$1.00
22 A0876
Clamp Coil Tubing

Clamp Coil Tubing

Availability:
20+ In stock
$18.00
23 A0898
Rod 16mm x 120 mm

Rod 16mm x 120mm

Availability:
20+ In stock
$18.00
24 A0820
M10 x 25 Dog End Set Screw

52332269 / P330570035

Availability:
20+ In stock
$3.00
25 A0877
Hanging Spring

Amada # 74390105 / 826218

Availability:
20+ In stock
$5.00
26 A0888
Spring

Amada # 74165905 / 816006

Availability:
20+ In stock
$3.00
27 A0902
Screw SHCS M6 X 100MM

Amada # 90106100 / M6 X 100

Availability:
20+ In stock
$1.00
28 A0966
Dowel Pin

Amada # 74377352

Availability:
20+ In stock
$3.00
29 A0831e
Screw M4 X .7 x 6 Pkg of 10

Set Screw cup M4 X .7 x 6

Availability:
20+ In stock
$1.90
30 A0846
Cylinder Spring

Amada # 74161330 / 806005

Availability:
20+ In stock
$19.00
31 A0845a
Plunger

Amada # 75426618 / 6048242

Availability:
9 In stock
$80.00
32 A0812
Clamp Lever Assembly - 12MM

kr12x20 / Clamp Lever Assembly - 12MM
Amada # 806075

Availability:
20+ In stock
$29.00
33 A9234
O-Ring P-50A

O-Ring P-50A

Availability:
20+ In stock
$1.50
34 A0855A
Sheet Sensor (For Auto Loader)

Amada # 74161252 / 8635270D

Availability:
20+ In stock
$165.00
35 A9220
O-Ring P-12

O-Ring P-12

Availability:
20+ In stock
$0.75
36 A0878
Cylinder Cap

Amada # 74303522 / 826188

Availability:
20+ In stock
$150.00
37 A0839k
Socket Cap Screw-M6 x 12 Pkg of 10

Socket Cap Screw-M6 x 12 PKG OF 10

Availability:
14 In stock
$2.90
38 A0889a
Set Screw M6 X 6 PKG of 10

Set Screw M6 X 6 PKG of 10

Availability:
15 In stock
$3.00
39 A0845
Over Ride Plunger Assembly

Amada # 74161389 / 6010227.28.29.30

Availability:
4 In stock
$99.00
40 A0845b
Retainer

Amada # 75416128 / 6010229

Availability:
Out of stock
$15.00
41 A0845c
Spring

Amada # 75416113 / 6010230

Availability:
13 In stock
$15.00
42 A0845e
Cap Screw M4 X 25

Cap Screw M4 X 25

Availability:
18 In stock
$0.25
43 A0850
Urethane Boot - For Clamper Tip

Urethne Boot - For Clmper Tp 1

Availability:
20+ In stock
$25.00
N/A A0803
Connector-20sm

Amada # 74162521 / 20SM 1/4

Availability:
13 In stock
$11.90
N/A A0804
Connector-20PF

Amada # 74162522 / 20pf-1/4/ 20ph-1/4

Availability:
11 In stock
$4.90
N/A A0811
Clamp Lever - 10MM

Amada # 74161342 / 806075 / 74161343 / 71368820

Availability:
20+ In stock
$29.00
N/A A0840
Shims .010 - Pkg of 10.

Shims .010 - Pkg of 10

Availability:
17 In stock
$16.00
N/A A0841
Shims .003 - Pkg of 10

Shims .003 - Pkg of 10

Availability:
20+ In stock
$16.00
N/A A0842
Shims .005 - Pkg of 10

Shims .005 - Pkg of 10

Availability:
20+ In stock
$16.00
N/A A0844
Over Ride Block-Vipros 255

Amada # 75426617 / 6048241

Availability:
7 In stock
$259.00
Request Quote

Ask a Question?

Description / Replacement Parts For A0113-CA

Replacement Parts For A0113-CA

75416004 / 6048240

We found other products you might like!

Clamp Base Assembly-New Style | <p>Amada # 74161544 / 826189 / 75498402 </p>
Part#: A0201-CBA

Amada # 74161544 / 826189 / 75498402

Write Your Own Review
You're reviewing: Replacement Parts For A0113-CA
loader
Loading...

You submitted your review for moderation.

Need a Quote?